AGO 05, 2021
Commenti: 0
Se hai già letto i precedenti 2 articoli su come funziona uno scaricatore di sovratensione e sulle sovratensioni dirette, non rimane che approfondire l’ultimo e importante tema riguardante l’installazione degli scaricatori di sovratensione in base ai diversi sistemi.
In questo podcast ti proponiamo, come spunto di riflessione, il punto di vista del product manager Finder per gli SPD – Andrea Colombo, intervistato in occasione di alcune prove effettuate sugli SPD durante un webinar!
Sistema TT
In questo sistema il neutro è collegato direttamente a terra, mentre le masse sono collegate ad un impianto di terra locale separato. Questo tipo di sistema è adatto sia per le industrie alimentate in bassa tensione che per le installazioni domestiche.
Installazione SPD
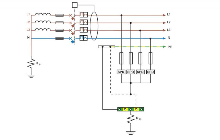
Nel caso di un sistema TT è possibile installare un SPD a monte o a valle del differenziale.
L’installazione a valle del differenziale prevede la connessione di ogni SPD con ciascun conduttore attivo e il conduttore di protezione principale, oppure in caso di distanza inferiore, fra ciascun conduttore attivo e il collettore principale di terra. Gli SPD che rispettano questo tipo di configurazione vengono definiti “4+0”.
Considerato che gli SPD vengono installati a valle del differenziale, è indispensabile che il differenziale sia di tipo S o ritardato, in maniera tale da evitare l’intervento tempestivo e permettere all’SPD di funzionare correttamente.
Per questo motivo è generalmente consigliato installare gli SPD a monte del differenziale, come nella connessione di tipo C.
Se invece installiamo gli SPD a monte del differenziale, dobbiamo collegare gli SPD tra ciascun conduttore di fase e il neutro e fra il conduttore di neutro e il conduttore di protezione o, se la distanza è minore, fra il neutro e il collettore principale di terra.
Nel caso in cui l’edificio sia dotato di parafulmine (LPS) è obbligatorio installare gli SPD a monte del differenziale.
Gli SPD utilizzati per effettuare la protezione nei sistemi trifase rispettando il collegamento corretto vengono definiti con “configurazione 3+1”: 3 varistori fra fase e neutro e 1 spinterometro (GDT) fra neutro e terra. Analogamente per i sistemi monofase verranno utilizzati SPD con configurazione “1+1”.
A monte del differenziale possono essere installati unicamente SPD con configurazione “3+1” o “1+1” in quanto, utilizzando SPD con configurazione “4+0” introduciamo un punto pericoloso per il sistema e possiamo incorrere in gravi rischi per l’utente in caso di guasto di un varistore e del suo disgiuntore interno o esterno: si potrebbe infatti verificare l’iniezione di una certa quantità di corrente verso l’impianto di terra portando così in tensione le masse, con conseguente rischio di esposizione ad una tensione pericolosa per le persone.
Nel “3+1” il GDT interposto fra neutro e terra, garantisce l’isolamento galvanico ed evita quindi la possibilità che della corrente del sistema elettrico possa essere iniettata nell’impianto di terra garantendo la protezione delle persone.
In questo tipo di sistema il neutro è connesso direttamente a terra mentre le masse sono connesse allo stesso impianto di terra del neutro. Possiamo quindi avere 2 casi: il primo in cui le masse sono collegate direttamente al conduttore di neutro, per cui si parlerà di sistema TN-C, oppure le masse sono collegate tramite un conduttore di protezione, per cui si parlerà di sistema TN-S. Il sistema TN è adatto alle industrie e ai grossi impianti alimentati in media tensione.
Nel caso di un sistema TN è consigliabile installare gli SPD fra i conduttori attivi e il conduttore di protezione principale, oppure fra i conduttori attivi e il collettore principale di terra.
La protezione efficace dell’impianto viene realizzate installando nel quadro principale, a valle dei dispositivi di massima corrente va installato un SPD di tipo 1 studiato per proteggere gli impianti elettrici, le persone e i beni contenuti nell’edificio dalla corrente associata ai fulmini (sovratensioni esogene). Il contenuto energetico associato alla corrente di fulmine è molto alto e può innescare incendi.
Nei quadri secondari verranno installati SPD di tipo 2 con configurazione “4+0” o “2+0” per i sistemi monofase. Gli SPD di tipo 2 sono progettati per proteggere gli impianti e le apparecchiature elettriche da sovratensioni indotte e da sovratensioni di manovra (sovratensioni endogene) causate dal normale funzionamento delle linee elettriche.
La distanza fra l’SPD di tipo 1 e l’SPD di tipo 2 deve essere conforme a quanto dichiarato dal costruttore del SPD nel rispetto del coordinamento energetico. Ad esempio utilizzando SPD tipo 7P.13 e SPD tipo 7P.24, la distanza fra i due deve essere maggiore o uguale a 5 metri. La distanza passa ad 1 m usando l’SPD tipo 7P.03.
Data l’importanza dell’argomento sicurezza e protezione dalle sovratensioni, vennero dedicate diverse Varianti alla norma CEI 64-8 (tutte recepite) per definire la scelta e il metodo di installazione degli scaricatori di sovratensione negli ambienti residenziali.
Per una protezione ottimale, è necessario installare
Se per gli SPD di tipo 1 è sufficiente installarne uno nel punto di consegna dell’energia, gli SPD di Classe II installati nell’impianto possono essere diversi, a seconda delle esigenze, ad esempio uno per piano, oppure uno per ogni ramo di linea elettrica se molto lunga. Quindi non esiste un numero massimo di SPD installabili.
A valle di un SPD di classe II è fortemente consigliato installare un SPD di classe III per la protezione delle elettroniche sensibili.
Gli SPD di classe III possono essere installati in un quadretto di zona (SPD tipo 7P.37 a protezione di una stanza o di un centralino elettronico come quello del cancello elettrico), oppure possono essere installati all’interno delle scatole 503 (SPD tipo 7P.36) a protezione delle elettroniche che vengono collegate ad una precisa presa: TV, Hi-Fi, router, caldaia, etc…
Tutti i dettagli tecnici degli SPD Finder sono disponibili nella scheda tecnica




