Diariamente, milhares de pessoas utilizam sistemas, processos e serviços dentro de sua rotina, muitas vezes sem perceber o que está envolvido na segurança para que tudo isso ocorra da melhor forma, como por exemplo, circular pelas inúmeras estações de Metrô.
Já se perguntou o que garante o alinhamento das portas dos trens com as portas de plataforma? Existem produtos que garantem a segurança desses sistemas, por exemplo, um relé de contato guiado, que traga confiabilidade a essa sinalização, garantindo a segurança no embarque e desembarque de passageiros.
Independentemente do sistema ou aplicação, cada vez mais, o desafio é garantir a segurança dos usuários com o mínimo de falha possível, e em exemplos como o mencionado acima é importante que o relé de contato guiado atenda ao SIL (Safety Integrity Level) ou Nível de Integridade de Segurança, que é uma medida internacional de desempenho de segurança de um equipamento ou sistema, em termos de probabilidade de falhas. Existem diversos níveis de integridade, quanto maior é a classificação SIL, maior é o nível de segurança, e por consequência menor é a probabilidade de um sistema falhar.
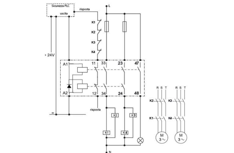
Pensando nisso, a Finder, uma empresa sempre preocupada em produzir equipamentos que garantam segurança e qualidade aos processos e pessoas, apresenta os novos modelos da linha 7S de relés com contatos guiados – 7S.43 e 7S.63 – que são fabricados de acordo com norma internacional IEC/EN 61810-3 para relé de contato guiado “Tipo “A, fazendo parte da parte da linha de produtos para aplicações de segurança que atendem ao SIL 3.
Fabricados com sistemas de alimentação dupla, os relés de circuitos internos conseguem ser alimentados em série, o que contribui para diminuir os riscos e as chances de que ocorra um erro, garantindo assim maior segurança para o processo e para as pessoas.
Outro aspecto relevante, é a modularidade do produto, tornando a família 7S perfeita para a expansão de módulos e sistemas de segurança, uma vez que a disposição dos terminais da fonte de alimentação na parte inferior do dispositivo, simplifica a montagem de mais elementos em paralelo.
O 7S.43 é caracterizado por terminais tipo mola, enquanto o 7S.63 é equipado com terminais a parafuso, ambos disponíveis na configuração de 3 contatos, sendo 2 de segurança NA + 1 de feedback NF, além de 1 contato auxiliar normalmente aberto.
A gama de relés com contatos guiados também inclui modelos modulares 7S que atendem o nível SIL2, contendo 2 a 6 contatos com terminais de mola e parafuso e a série 50, com 2, 4 e 6 contatos de circuito impresso, tornando-se assim a solução ideal para diversos tipos de necessidade, atendendo desde máquinas-ferramentas até aplicações ferroviárias.
Saiba mais:
https://findernet-cms.production.findernet-k8s.findernet.com/app/uploads/2020/09/S7SPT-1.pdf
https://gfinder.findernet.com/public/attachments/7S/PT/RAIL7SPT.pdf



