AUG 01, 2022
C’est un appareil qui détecte les erreurs et défaillances de fonctionnement d’une machine pouvant avoir un risque sur les personnes ou sur les biens et fait remonter les informations à un automate de sécurité. En cas d’incident, il met le circuit électrique en sécurité : arrêt immédiat, éclairage de signalisation, déclenchement d’une alarme… Le relais de sécurité permet de protéger les hommes et les machines inclus dans le process. Il déclenche une ou plusieurs réponses permettant de ramener l’erreur engendrée à un niveau sécurisé.
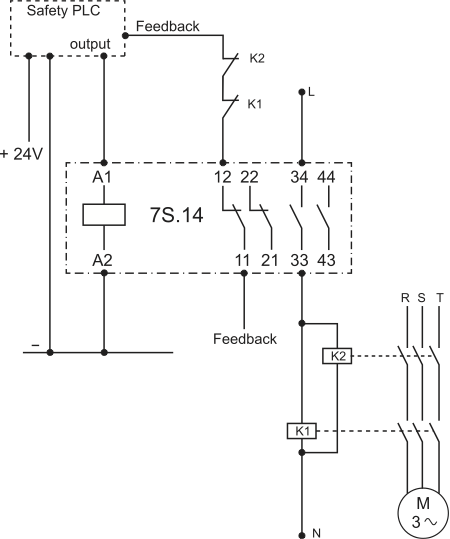
La conception d’un relais de sécurité est basée sur la combinaison de contacts en redondance (selon les types) et à guidage forcé pour la commutation de sécurité.
La sécurité des machines et des équipements est essentielle, autant pour les personnes qui les utilisent que pour les machines elles-mêmes. Une mauvaise conception ou une défaillance dans le circuit de commande peut entrainer des conséquences graves : accidents corporels, réparations couteuses…
Il est donc essentiel d’évaluer les probabilités de défaillance pour en limiter les risques.
L’évaluation des risques est définie par le niveau SIL (Safety Integrity Level ou niveau d’intégrité de sécurité) selon la norme EN61508, ou en PL (Performance Level ou niveau de performance) selon la norme EN13849-1. Ces normes sont définies par différents facteurs quantifiés : la gravité potentielle de l’accident, sa fréquence d’exposition, sa probabilité et le niveau nécessaire pour éviter ou limiter l’accident.
Les normes internationales classent les parties des systèmes de commande suivant leur niveau de sécurité, de 1 à 4, 4 étant le niveau de sécurité le plus élevé, le plus fiable, et qui permet de couvrir la gravité de risque la plus grande. Le niveau PL est défini de PLa jusqu’à PLe (PLe étant le niveau le plus élevé).
Les relais de sécurité Finder Série 7S et Série 50 sont certifiés suivant les normes internationales :
Les exigences permettant d’atteindre ces catégories sont basées principalement sur la sélection des composants, leur conception et sur la capacité à détecter des défaillances.
La Probabilité de Défaillance Dangereuse par Heure (ou PFDH) est la valeur de référence de probabilité de défaut des relais. Le temps moyen, avant qu’il y ait une défaillance dangereuse qui pourrait entrainer des risques pour les personnes, l’environnement et les équipements est, pour les relais de sécurité Finder, de valeur : B10d.
La valeur B10d donne le nombre de cycles avant que 10% des composants soient défaillants et dangereux. Cette valeur est donc primordiale pour évaluer la durée de vie d’un relais de sécurité, ainsi que l’échéance à laquelle on pourrait s’attendre à des erreurs sur le relais avec une probabilité de 10%.
Les relais de sécurité Finder des Séries 7S et 50 s’adaptent à de multiples applications, autant dans l’industrie ou l’agro-alimentaire que dans le tertiaire, en sous-traitance électronique : ascenseurs, escalators, ponts roulants, grues, robots industriels, entrepôts de stockage automatisés, centres de lavage de voiture, remontées mécaniques, machines-outils, barrières de sécurité… La Série 7S est également conforme feu et fumées (EN 45545) et répond donc aux contraintes particulières dans les domaines d’activité sensibles comme la chimie, la pétrochimie, le ferroviaire, le nucléaire…
La gamme Finder permet de répondre à différentes commandes de sécurité telles que : bloc d’arrêt d’urgence, commande bi-manuelle, bouton poussoir, capteur sans contact, tapis sensible à la pression, barrière immatérielle, grille lumineuse, interrupteur magnétique…
Les relais de la Série 7S sont des relais modulaires qui se montent sur rail. Les relais de la Série 50 sont conçus pour être montés sur circuit imprimé.
Les relais 7S et les relais 50 répondent aux mêmes normes et certifications internationales et sont conformes EN 61810-3 classe A (ex EN 50205). La Série 7S en montage sur rail 35 mm répond à la norme EN 60715, ainsi qu’à la norme EN 45545 pour les applications ferroviaires et les matériaux conformes feu et fumée.
Relais à contacts guidés pour applications de sécurité
Série 50 – Relais pour circuit imprimé 8 A
Série 48 – Interfaces modulaires à relais 8 A
Série 7S – Relais modulaires 6 – 10 A



